技术支持
- 力士乐液压泵铭牌上的这些A11VLO190A10VO45AZ各代表什么意思?
- 柱塞泵,叶片泵故障现象及原因分析
- 电动抽油泵怎么样维修保养?怎么使用?
- 派克PGP502齿轮泵,派克PGP505齿轮泵,派克PGP511齿轮泵,派克PGP517齿轮泵
- VICKERS柱塞泵PVB的特性和剖视图,伊顿威格士
- 力士乐柱塞泵A4VSO液压油的选用和注意事项
- 港隆介绍四柱液压机的轴向柱塞泵如何合理使用
- 力士乐液压泵A4VG28/32系列控制原件如何拆装?
- 港隆公司介绍YBX变量叶片泵技术参数
- 液压系统发生故障的主要原因
- 液压油泵噪音过大的原因
- 液压泵故障与维修方法?
- 港隆教您如何处理液压缸活塞损坏的问题
- (威格士液压泵官网)高温齿轮油泵的选购方法与日常维护
- 港隆讲解液压马达转速慢的原因及解决方法
- 液压泵的选择\液压泵的分类\液压泵的符号
- 油力顿型A10VSO/A10VO/A2F/A8VO/A4VSO/A4VG,油力顿柱塞泵完美替代力士乐柱塞泵
- 液压泵维修:A4VG125液压泵压力下降
- 港隆公司介绍力士乐A4VG液压泵结构参数图
- DENISON丹尼逊单联泵,双联泵,三联泵T6,T7,T67系列型号大全,性能参数
- 油研叶片泵,YUKEN双联叶片泵PV2R23-53-85,PV2R23-53-94
- 威格士液压泵电液比例控制的优点和应用
- 威格士柱塞泵PVH系列补偿器控制方式
- 丹尼逊T6系列的流量规格和优特点
- 德国力士乐PVV和PVQ叶片泵的符号和特点
- 德国力士乐A4VG28/32系列维修常规说明
- 力士乐液压泵A4VG 28/32系列的拆卸过程
- 力士乐铭牌上的字代表什么意思?
- 油研PV2R系列叶片泵的排量、压力、输入功率
- 原装日本油研液压泵与国产YUKEN液压泵有什么区别
- T6,T7系列液压泵的具体型号,丹尼逊T6,T7系列叶片泵有哪些应用
- 径向变量柱塞/轴向柱塞泵/斜轴式柱塞泵的特性
- 力士乐柱塞泵A4CSG系列特点
- 力士乐液压泵A4VSO系列使用安全说明
- 液压泵的效率、功率、转矩怎么计算?
- 伊顿威格士20V, 25V, 35V, 45V系列叶片泵产品特点及选型
- 油力顿型VP,PFE系列叶片泵,油力顿叶片泵产品
- VICKERS威格士柱塞泵PVH液压油的清洁度和温度范围
- 威格士柱塞泵PVB系列的安装数据、起动和订货程序
- 威格士柱塞泵PVM系列的特征和优点与用途
- VICKERS威格士液压泵PVQ系列的油液清洁度
- VICKERS威格士单作用叶片泵的平均流量计算
- VICKERS威格士柱塞泵PVM系列型号大全
- 伊顿威格士PVXS系列柱塞泵型号大全,VICKERS液压泵特征及应用
- 大量供应Rexroth力士乐内啮合齿轮泵PGH系列
- VICKERS威格士电磁阀DG4V系列的特点和型号大全
- 力士乐柱塞泵A10VSO45DFR/31R-PPA12NOO型号详解
- VICKERS威格士柱塞泵PVQ系列压力补偿器控制
- YUKEN油研变量泵的操作及保养注意事项
- 液压泵技术教大家快速修复液压系统中的齿轮泵
- 介绍威格士斜轴式轴向柱塞泵原理
- Rexroth力士乐柱塞泵A10VSO系列的DR—压力控制
- 威格士柱塞泵PVH系列C**T压力和扭矩限制器的控制方式
- 齿轮油泵因长时间使用会出现-些问题,该怎么处理呢?
- 怎么样解决威格士叶片泵严重大噪音的问题?
- 力士乐柱塞泵A4VG125DA2D2/32L-NZF02F071SH详细介绍
- 威格士叶片泵的常见故障及排除方法
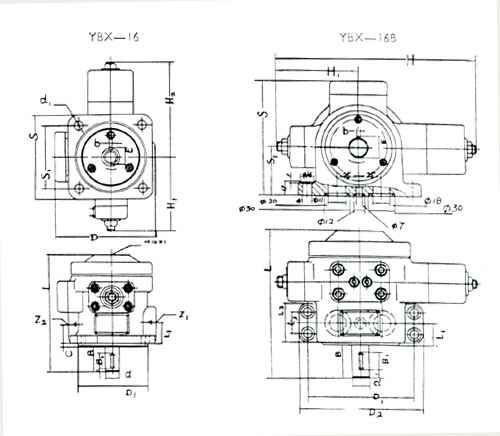
首页港隆公司介绍YBX变量叶片泵技术参数
YBX-16 YBX-25 YBX-16B YBX-25B 系列变量叶片泵

一、YBX变量叶片泵技术参数,特点及用途:
YBX变量叶片泵系单作用、限压式、外反馈叶片泵,能随液压系统中压力的改变。自动改变定子对转子的偏心量,从而改变流量的大小。
变量泵功率损耗极大降低电能消耗,同时,油的湿升较低,并能简化液压系统变量泵。
该泵可广泛使用于各种高压小流量、或低压大流量的液压系统中,如组合机床动力头、流水线、塑料注射机、液压滑台等。
变量泵将会有越愈广宽的市场。
二、YBX变量叶片泵技术参数
型号规格 | 排量 | 额定压力 | 调压范围 | 公称转速 | 转速范围 | 驱动功率 | 重量 | 旋转方向 |
ml/r | MPa | MPa | r/min | r/min | kw | kg | ||
YBX-16 | 1~16 | 6.3 | 2.0~6.3 | 1450 | 600~1450 | 3.5 | 10.5 | 顺时针 |
YBX-25 | 1~25 | 5.5 |
三、YBX变量叶片泵技术参数,油泵特性曲线:
YBX-16 YBX-25YBX-16B YBX-25B

YBX-16
YBX-16B
![【港隆液压】液压元件[液压油泵,电磁阀] 一站式服务平台](upload/20210127173032768281.png)

